Loading...
マグネットランナーリング付40mmレール両開
- 商品コード:
- EG1542
- メーカー:
- JANコード:
- 4550061560679
- 税率:
- 10%
- 品番:
- EA970FE-21
- 学校版カタログ
- 非掲載
- 幼保版カタログ
- 非掲載
- 商品詳細
-
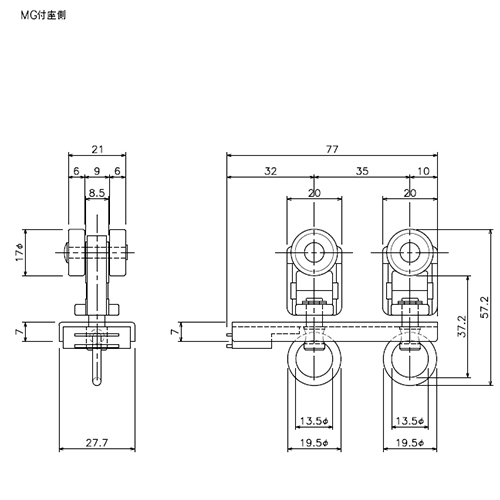
●メーカー…岡田装飾金物●型番…15Y21●サイズ(W×D×H)mm…75×21×57.2●耐荷重…10kg●リング内寸…φ13.5mm●車材質…樹脂●参考在庫数・商品詳細・サイズ情報はメーカー(参考)URLからもご確認いただけます。 ●最小出荷単位: 1
- 本体サイズ
- お手数をお掛けいたしますが、下記参考URLよりご確認ください。
- 個装サイズ
- お手数をお掛けいたしますが、下記参考URLよりご確認ください。
メーカー希望小売価格
3,060
円(税抜)
販売価格
3,366
円(税込)
3,060 円 (税抜)













