Loading...
50キャスター自在金具低床重荷重ブレーキ付
- 商品コード:
- EG2557
- メーカー:
- ナンシン
- JANコード:
- 4550061589571
- 税率:
- 10%
- 品番:
- EA986PR-21
- 学校版カタログ
- 非掲載
- 幼保版カタログ
- 非掲載
- 商品詳細
-
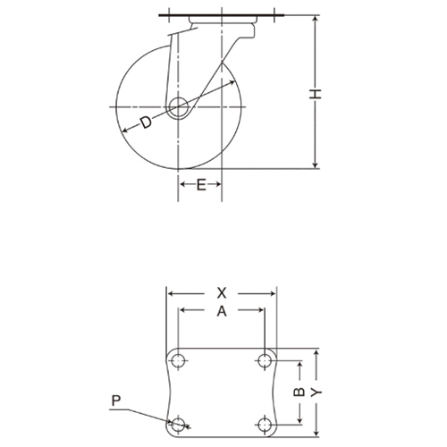
●メーカー…ナンシン●型番…THH-50NHG S-12●仕様…自在ストッパー付●耐荷重…200kg●車輪径×幅…50×28mm●取付高…68mm●取付ピッチ…54×36mm●プレートサイズ…70×54mm●取付穴径…6.5mm●偏芯…22mm●旋回半径…69mm●材質…金具:スチール(ユニクロメッキ)車輪:強化ナイロン●重量…0.34kg●ベアリングなし●ストッパーは、車輪の回転を止めるストッパーです。●車輪径が小径でありながら、高い耐荷重性能を実現●コンパクト設計で取り付け高さを低く抑えている為、高さに制限のある製品に最適です。●歪みの少ない強化車輪で、長期間荷重を負荷した状態でも車輪が変形せず滑らかな走行感を維持します。●コンピュータサーバ、ATM、券売機、半導体装置、汎用コンピュータ、工作機械の周辺機器等に●RoHS対応品●参考在庫数・商品詳細・サイズ情報はメーカー(参考)URLからもご確認いただけます。 ●最小出荷単位: 1
- 本体サイズ
- お手数をお掛けいたしますが、下記参考URLよりご確認ください。
- 個装サイズ
- お手数をお掛けいたしますが、下記参考URLよりご確認ください。
メーカー希望小売価格
2,650
円(税抜)
販売価格
2,915
円(税込)
2,650 円 (税抜)













