Loading...
75キャスター自在金具低床重荷重ブレーキ付
- 商品コード:
- EG2559
- メーカー:
- ナンシン
- JANコード:
- 4550061589779
- 税率:
- 10%
- 品番:
- EA986PR-23
- 学校版カタログ
- 非掲載
- 幼保版カタログ
- 非掲載
- 商品詳細
-
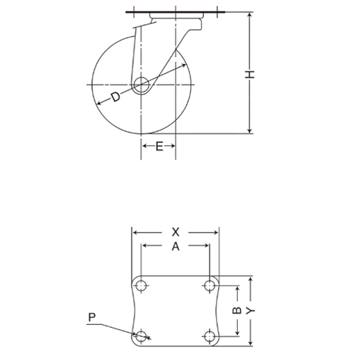
●メーカー…ナンシン●型番…THH-75NHB S-12●仕様…自在ストッパー付●車輪径(D)×幅…75×38mm●耐荷重(kg)…400●取付高(H)…106mm●穴径(P)…11mm●取付ピッチ(A×B)…71×71mm●プレートサイズ(X×Y)…90×90mm●偏心(E)…25mm●材質…金具:ユニクロームメッキ仕上げ車輪:強化ナイロン(B入)●重量…1.06kg●ベアリング入●参考在庫数・商品詳細・サイズ情報はメーカー(参考)URLからもご確認いただけます。 ●最小出荷単位: 1
- 本体サイズ
- お手数をお掛けいたしますが、下記参考URLよりご確認ください。
- 個装サイズ
- お手数をお掛けいたしますが、下記参考URLよりご確認ください。
メーカー希望小売価格
5,480
円(税抜)
販売価格
6,028
円(税込)
5,480 円 (税抜)













