Loading...
75mm キャスター(自在金具・ブレーキ付)
- 商品コード:
- EG2582
- メーカー:
- ナンシン
- JANコード:
- 4550061548363
- 税率:
- 10%
- 品番:
- EA986PT-271
- 学校版カタログ
- 非掲載
- 幼保版カタログ
- 非掲載
- 商品詳細
-
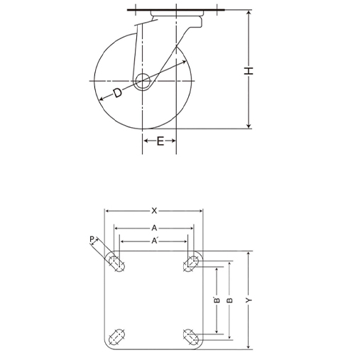
●メーカー…ナンシン●型番…STM-75VU W-3●仕様…自在ストッパー付●耐荷重…120kg●始動力…11.52daN●旋回始動力…36.00daN●車輪径×幅…75×32mm●取付高…100mm●取付ピッチ…63×63mm●プレートサイズ…81×81mm●取付穴径…9.5mm●偏心…28mm●旋回半径…89mm●材質…車輪:ウレタン(ベアリング入)金具:スチール(ユニクロメッキ)●重量…820g●ベアリング入●ストッパーは、車輪の回転と旋回を同時に止めるストッパーです。●各種搬送台車、メッシュパレット、各種工場設備の信頼性を重視するあらゆる機材に最適です。●RoHS対応品●参考在庫数・商品詳細・サイズ情報はメーカー(参考)URLからもご確認いただけます。 ●最小出荷単位: 1
- 本体サイズ
- お手数をお掛けいたしますが、下記参考URLよりご確認ください。
- 個装サイズ
- お手数をお掛けいたしますが、下記参考URLよりご確認ください。
メーカー希望小売価格
3,140
円(税抜)
販売価格
3,454
円(税込)
3,140 円 (税抜)













