Loading...
130mm キャスター(自在金具・ブレーキ付)
- 商品コード:
- EG2584
- メーカー:
- ナンシン
- JANコード:
- 4550061548387
- 税率:
- 10%
- 品番:
- EA986PT-273
- 学校版カタログ
- 非掲載
- 幼保版カタログ
- 非掲載
- 商品詳細
-
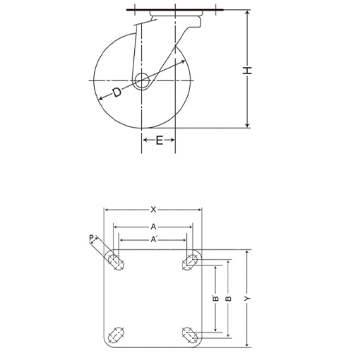
●メーカー…ナンシン●型番…STM-130VU W-3●仕様…自在ストッパー付●耐荷重…260kg●始動力…15.60daN●旋回始動力…62.40daN●車輪径×幅…130×38mm●取付高…177mm●取付ピッチ…82×82mm(79×79mm)●プレートサイズ…105×105mm●取付穴径…11.0mm●偏心…40mm●旋回半径…130mm●材質…車輪:ウレタン(ベアリング入)金具:スチール(ユニクロメッキ)●重量…2425g●ベアリング入●ストッパーは、車輪の回転と旋回を同時に止めるストッパーです。●各種搬送台車、メッシュパレット、各種工場設備の信頼性を重視するあらゆる機材に最適です。●RoHS対応品●参考在庫数・商品詳細・サイズ情報はメーカー(参考)URLからもご確認いただけます。 ●最小出荷単位: 1
- 本体サイズ
- お手数をお掛けいたしますが、下記参考URLよりご確認ください。
- 個装サイズ
- お手数をお掛けいたしますが、下記参考URLよりご確認ください。
メーカー希望小売価格
5,370
円(税抜)
販売価格
5,907
円(税込)
5,370 円 (税抜)













