Loading...
200mm キャスター(自在金具・ブレーキ付)
- 商品コード:
- EG2586
- メーカー:
- ナンシン
- JANコード:
- 4550061549223
- 税率:
- 10%
- 品番:
- EA986PT-275
- 学校版カタログ
- 非掲載
- 幼保版カタログ
- 非掲載
- 商品詳細
-
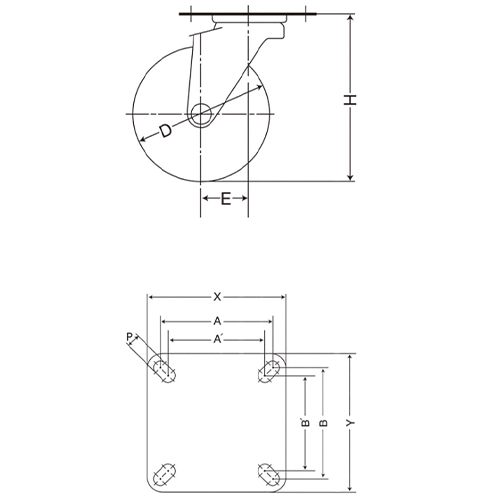
●メーカー…ナンシン●型番…STM-200VU W-3●仕様…自在ストッパー付●サイズ(mm)…車輪径×幅:200×42全高:250●耐荷重(kg)…370●材質…車輪:ウレタン(ベアリング入)金具:スチール(ユニクロームメッキ仕上げ)●穴径(P)…11.0mm●X×Y…140×140mm●A×B(A’×B’)…115×115(105×105)mm●各種搬送台車、メッシュパレット、各種工場設備の信頼性を重視するあらゆる機材に最適です。●ベアリング入●参考在庫数・商品詳細・サイズ情報はメーカー(参考)URLからもご確認いただけます。 ●最小出荷単位: 1
- 本体サイズ
- お手数をお掛けいたしますが、下記参考URLよりご確認ください。
- 個装サイズ
- お手数をお掛けいたしますが、下記参考URLよりご確認ください。
メーカー希望小売価格
8,220
円(税抜)
販売価格
9,042
円(税込)
8,220 円 (税抜)













