Loading...
130mm キャスター(自在金具付)
- 商品コード:
- EG2588
- メーカー:
- ナンシン
- JANコード:
- 4550061553756
- 税率:
- 10%
- 品番:
- EA986PT-282
- 学校版カタログ
- 非掲載
- 幼保版カタログ
- 非掲載
- 商品詳細
-
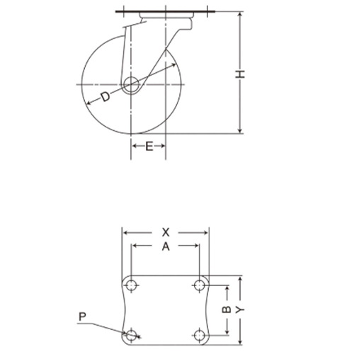
●メーカー…ナンシン●型番…STH-130VUH●仕様…自在ストッパー無●車輪径(D)×幅…130×50mm●耐荷重(kg)…500●取付高(H)…177mm●穴径(P)…11mm●取付ピッチ(A×B)…80×80mm●プレートサイズ(X×Y)…108×108mm●偏心(E)…40mm●材質…金具:スチール(ユニクロームメッキ仕上げ)車輪:ウレタン(B入)●重量…3.03kg●重荷重用●搬送パレット、半導体製造装置、各種設備、機械等●ベアリング入●参考在庫数・商品詳細・サイズ情報はメーカー(参考)URLからもご確認いただけます。 ●最小出荷単位: 1
- 本体サイズ
- お手数をお掛けいたしますが、下記参考URLよりご確認ください。
- 個装サイズ
- お手数をお掛けいたしますが、下記参考URLよりご確認ください。
メーカー希望小売価格
13,000
円(税抜)
販売価格
14,300
円(税込)
13,000 円 (税抜)













