Loading...
40mm キャスター(自在金具付)
- 商品コード:
- EG2595
- メーカー:
- ナンシン
- JANコード:
- 4550061550847
- 税率:
- 10%
- 品番:
- EA986PT-311
- 学校版カタログ
- 非掲載
- 幼保版カタログ
- 非掲載
- 商品詳細
-
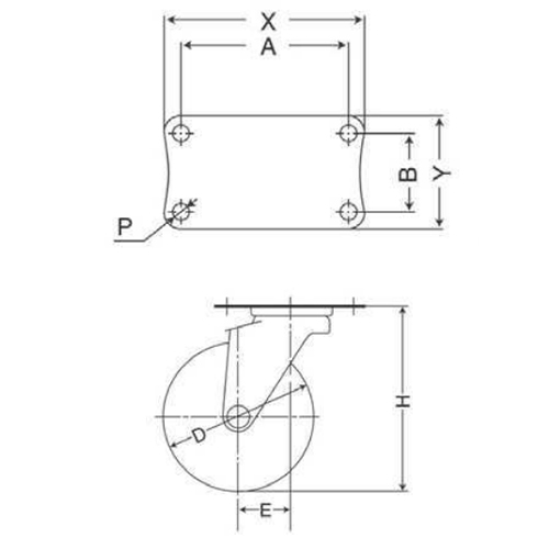
●メーカー…ナンシン●型番…TE-40RM●仕様…自在ストッパー無●耐荷重…30kg●始動力…7.65daN●旋回始動力…15.30daN●車輪径×幅…40×18mm●取付高…56mm●取付ピッチ…44×27mm●プレートサイズ…55×38mm●取付穴径…5.2mm●偏心…20mm●旋回半径…43mm●材質…車輪:ゴム金具:スチール(ユニクロメッキ)●あらゆる分野で調和するシンプルなデザインで、取り付ける本体を選びません。●RoHS対応品●参考在庫数・商品詳細・サイズ情報はメーカー(参考)URLからもご確認いただけます。 ●最小出荷単位: 1
- 本体サイズ
- お手数をお掛けいたしますが、下記参考URLよりご確認ください。
- 個装サイズ
- お手数をお掛けいたしますが、下記参考URLよりご確認ください。
メーカー希望小売価格
330
円(税抜)
販売価格
363
円(税込)
330 円 (税抜)












![[EA809PX-41用] ディスク研磨ペ-パ-(#1000)](https://d11w49g8ylcixs.cloudfront.net/upload/save_image/200/EG4140_01_260212.jpg)
