Loading...
150mm キャスター(固定金具・ステンレス製)
- 商品コード:
- EG2603
- メーカー:
- ナンシン
- JANコード:
- 4550061500613
- 税率:
- 10%
- 品番:
- EA986PT-505
- 学校版カタログ
- 非掲載
- 幼保版カタログ
- 非掲載
- 商品詳細
-
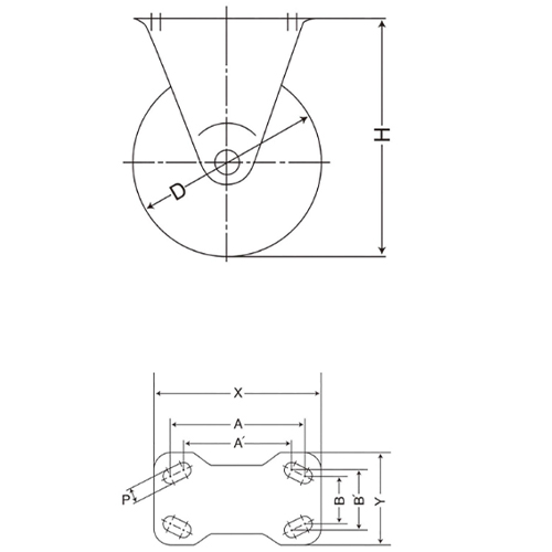
●メーカー…ナンシン●型番…SU-SKC-150NB●仕様…固定●材質…金具:ステンレス、車輪:ナイロン●用途…食器機械、厨房機器、化学・製薬機械、ワゴン、ドーリー台車等の搬送機器。●入数…1●サイズ(mm)…車輪径:150幅:35全高:190●耐荷重(kg)…163●穴径(P)…11.0mm●X×Y…140×80mm●A×B(A’×B’)…112×53(100×56)mm●オールステンレスの金具を使ったキャスターです。錆を嫌うクリーンな環境での使用に最適です。●エラストマー車輪は耐水性、耐薬品性、対候性に優れ、ソフトにスムーズに走行する特徴があります。●べアリング入り●参考在庫数・商品詳細・サイズ情報はメーカー(参考)URLからもご確認いただけます。 ●最小出荷単位: 1
- 本体サイズ
- お手数をお掛けいたしますが、下記参考URLよりご確認ください。
- 個装サイズ
- お手数をお掛けいたしますが、下記参考URLよりご確認ください。
メーカー希望小売価格
6,370
円(税抜)
販売価格
7,007
円(税込)
6,370 円 (税抜)













