Loading...
100mm キャスター(自在金具・ステンレス製)
- 商品コード:
- EG2606
- メーカー:
- ナンシン
- JANコード:
- 4550061501481
- 税率:
- 10%
- 品番:
- EA986PT-513
- 学校版カタログ
- 非掲載
- 幼保版カタログ
- 非掲載
- 商品詳細
-
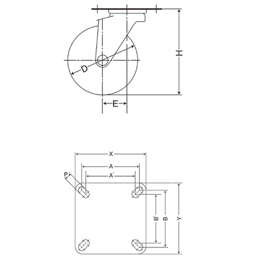
●メーカー…ナンシン●型番…SU-STC-100NB●仕様…自在ストッパー無●材質…金具:ステンレス、車輪:ナイロン●用途…食器機械、厨房機器、化学・製薬機械、ワゴン、ドーリー台車等の搬送機器。●入数…1●サイズ(mm)…車輪径:100 幅:29 全高:130●耐荷重(kg)…122●穴径(P)…10.5mm●X×Y…90×90mm●A×B(A’×B’)…71×71(68×68)mm●オールステンレスの金具を使ったキャスターです。錆を嫌うクリーンな環境での使用に最適です。●エラストマー車輪は耐水性、耐薬品性、対候性に優れ、ソフトにスムーズに走行する特徴があります。●べアリング入り●参考在庫数・商品詳細・サイズ情報はメーカー(参考)URLからもご確認いただけます。 ●最小出荷単位: 1
- 本体サイズ
- お手数をお掛けいたしますが、下記参考URLよりご確認ください。
- 個装サイズ
- お手数をお掛けいたしますが、下記参考URLよりご確認ください。
メーカー希望小売価格
9,360
円(税抜)
販売価格
10,296
円(税込)
9,360
円 (税抜)













