Loading...
75mm キャスター(自在金具付・静電防止)
- 商品コード:
- EG2637
- メーカー:
- ナンシン
- JANコード:
- 4550061548103
- 税率:
- 10%
- 品番:
- EA986PT-613
- 学校版カタログ
- 非掲載
- 幼保版カタログ
- 非掲載
- 商品詳細
-
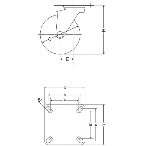
●メーカー…ナンシン●型番…STC-75EME●仕様…自在ストッパー無●車輪径(D)×幅…75×25mm●耐荷重(kg)…60●取付高(H)…93mm●穴径(P)…8.8mm●取付ピッチ(A×B)・(A´×B´)…55×42mm・(54×44mm)●プレートサイズ(X×Y)…70×58mm●偏心(E)…25mm●材質…金具:ユニクロームメッキ仕上げ車輪:ゴム(静電気防止)●静電気の帯電防止と防塵効果を向上させるよう開発した静電気防止キャスターです。●静電気が原因で発生する災害を防止するのに役立ちます。●電子部品の搬送台車やワゴン、医療機器、測定装置等の静電気障害の恐れのある機器に●参考在庫数・商品詳細・サイズ情報はメーカー(参考)URLからもご確認いただけます。 ●最小出荷単位: 1
- 本体サイズ
- お手数をお掛けいたしますが、下記参考URLよりご確認ください。
- 個装サイズ
- お手数をお掛けいたしますが、下記参考URLよりご確認ください。
メーカー希望小売価格
1,280
円(税抜)
販売価格
1,408
円(税込)
1,280 円 (税抜)













