125mm キャスター(自在金具付・静電防止)
- 商品コード:
- EG2639
- メーカー:
- ナンシン
- JANコード:
- 4550061548974
- 税率:
- 10%
- 品番:
- EA986PT-615
- 学校版カタログ
- 非掲載
- 幼保版カタログ
- 非掲載
- 商品詳細
-
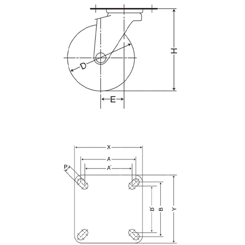
●メーカー…ナンシン●型番…STC-125CBCE●仕様…自在ストッパー無●耐荷重…150kg●始動力…13.50daN●旋回始動力…67.50daN●車輪径×幅…125×38mm●取付高…165mm●取付ピッチ…80×80mm(75×75mm)●プレートサイズ…102×102mm●取付穴径…11mm●偏心…35mm●旋回半径…101mm●電気抵抗値…10^8Ω以下(メーカー測定値で保証値ではありません。)●材質…金具:スチール(ユニクロメッキ)車輪:ゴム(静電気防止・ベアリング入り)●静電気の帯電防止と防塵効果を向上させるよう開発した静電気防止キャスター●静電気が原因で発生する災害を防止するのに役立ちます。●弾性があり、床を傷めにくいゴムタイヤ(耐油性・耐摩耗性・耐老化性は一般のゴムと同等。)●静電能力を持たせる為に、粉体又は液状物質を使用しているのでアースにムラがありません。●ベアリング入り●コンピュータ機器、医療機器、その他、静電気障害のおそれのある機器等に●RoHS対応品●参考在庫数・商品詳細・サイズ情報はメーカー(参考)URLからもご確認いただけます。 ●最小出荷単位: 1
- 本体サイズ
- お手数をお掛けいたしますが、下記参考URLよりご確認ください。
- 個装サイズ
- お手数をお掛けいたしますが、下記参考URLよりご確認ください。













