Loading...
90x89x82カムスイッチカバー(マグネット付)
- 商品コード:
- EH9481
- メーカー:
- JANコード:
- 4550061786468
- 税率:
- 10%
- 品番:
- EA940DR-252
- 学校版カタログ
- 非掲載
- 幼保版カタログ
- 非掲載
- 商品詳細
-
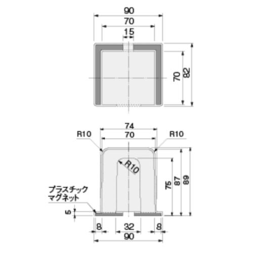
●メーカー…篠原電機●型番…SWC-90●用途…カムスイッチの誤操作防止用カバー●サイズ…90×82×89(H)mm●材質…AS樹脂(透明)マグネット付●重量…86g●樹脂カバーにマグネットが付いておりますので、取付け・取外しが簡単です。※樹脂磁石は固着する可能性があるので、高温多湿な環境を避け、定期的に取り外してください。●RoHS対応品●参考在庫数・商品詳細・サイズ情報はメーカー(参考)URLからもご確認いただけます。 ●最小出荷単位: 1
- 本体サイズ
- お手数をお掛けいたしますが、下記参考URLよりご確認ください。
- 個装サイズ
- お手数をお掛けいたしますが、下記参考URLよりご確認ください。
メーカー希望小売価格
6,570
円(税抜)
販売価格
7,227
円(税込)
6,570 円 (税抜)













