Loading...
EA986PR-250 225mmキャスタ-(固定金具付)
- 商品コード:
- E10291
- メーカー:
- JANコード:
- 4548745626179
- 税率:
- 10%
- 品番:
- EA986PR-250
- 学校版カタログ
- 非掲載
- 幼保版カタログ
- 非掲載
- 商品詳細
-
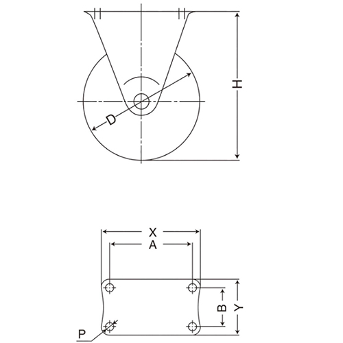
●メーカー…ナンシン●型番…SKM-250-4AR●仕様…固定●耐荷重…90kg●車輪径×幅…225×63mm●全高…292mm●取付ピッチ…140×80mm●プレートサイズ…200×140mm●取付穴径…14.0mm●耐熱温度…60℃●使用ベアリング…204B●材質…金具:スチール(ユニクロメッキ)車輪:エアータイヤ(ベアリング入)●重量…3970g●ローラーベアリング●若干の悪路でも簡単移動が可能です。●反発弾性に優れた車輪で、小さな力でスムーズに走行できます。●空気入り車輪ですので、ご使用の前に空気圧の調整を行って下さい。●RoHS対応品●参考在庫数・商品詳細・サイズ情報はメーカー(参考)URLからもご確認いただけます。 ●最小出荷単位: 1
- 本体サイズ
- お手数をお掛けいたしますが、下記参考URLよりご確認ください。
- 個装サイズ
- お手数をお掛けいたしますが、下記参考URLよりご確認ください。
メーカー希望小売価格
10,800
円(税抜)
販売価格
11,880
円(税込)
10,800 円 (税抜)













