Loading...
Rc1/4 inxRc1/4 inニードルバルブ
- 商品コード:
- EJ1885
- メーカー:
- JANコード:
- 4550061987612
- 税率:
- 10%
- 品番:
- EA426CW-122
- 学校版カタログ
- 非掲載
- 幼保版カタログ
- 非掲載
- 商品詳細
-
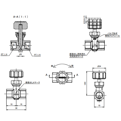
●メーカー…アソー(ASOH)●型番…CW-1022R●取付ねじ…Rc1/4’’×Rc1/4’’●使用圧力…0.98MPa以下●使用温度…-10~80℃(凍結箇所を除く)●使用流体…空気・水・油●材質…真鍮(クロムメッキ仕上げ)●両内ネジ型のストレートタイプ●一次側、二次側共にテーパー(Rc)内ネジのタイプの小型ニードルバルブです。●RoHS指令相当品●参考在庫数・商品詳細・サイズ情報はメーカー(参考)URLからもご確認いただけます。 ●最小出荷単位: 1
- 本体サイズ
- お手数をお掛けいたしますが、下記参考URLよりご確認ください。
- 個装サイズ
- お手数をお掛けいたしますが、下記参考URLよりご確認ください。
メーカー希望小売価格
1,940
円(税抜)
販売価格
2,134
円(税込)
1,940 円 (税抜)













