Loading...
25x48.3mmグレーチング連結金具(SUS製)
- 商品コード:
- EK2797
- メーカー:
- JANコード:
- 4550061768624
- 税率:
- 10%
- 品番:
- EA951TA-163
- 学校版カタログ
- 非掲載
- 幼保版カタログ
- 非掲載
- 商品詳細
-
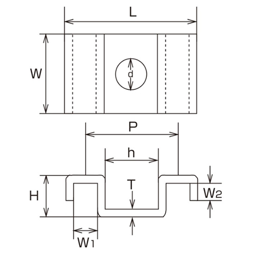
●外寸…25×48.3×15(H)mm●穴径…10mm●材質…SUS304●重量…28g●グレーチング固定用の部品としてご使用ください。●さびにくく、耐久性に優れたステンレス製●RoHS2対応品●参考在庫数・商品詳細・サイズ情報はメーカー(参考)URLからもご確認いただけます。 ●最小出荷単位: 1
- 本体サイズ
- お手数をお掛けいたしますが、下記参考URLよりご確認ください。
- 個装サイズ
- お手数をお掛けいたしますが、下記参考URLよりご確認ください。
メーカー希望小売価格
495
円(税抜)
販売価格
544
円(税込)
495 円 (税抜)













