Loading...
30x30x2450mmアルミ構造材(Uポール)
- 商品コード:
- EK3374
- メーカー:
- JANコード:
- 4550061761304
- 税率:
- 10%
- 品番:
- EA976CB-11
- 学校版カタログ
- 非掲載
- 幼保版カタログ
- 非掲載
- 商品詳細
-
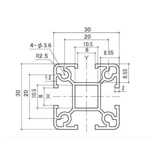
●サイズ…30×30×2450mm●材質…アルミ(A6063S-T5)アルマイト表面処理●仕様…30角Uポール●穴あけ、タップ加工不要●切断だけで組立可能なアルミフレーム●参考在庫数・商品詳細・サイズ情報はメーカー(参考)URLからもご確認いただけます。 ●最小出荷単位: 1
- 本体サイズ
- お手数をお掛けいたしますが、下記参考URLよりご確認ください。
- 個装サイズ
- お手数をお掛けいたしますが、下記参考URLよりご確認ください。
メーカー希望小売価格
4,920
円(税抜)
販売価格
5,412
円(税込)
4,920
円 (税抜)













