Loading...
R3/8 inxR3/8 inニードルバルブ(アングル型
- 商品コード:
- EM3250
- メーカー:
- JANコード:
- 4550061623718
- 税率:
- 10%
- 品番:
- EA426DS-33A
- 学校版カタログ
- 非掲載
- 幼保版カタログ
- 非掲載
- 商品詳細
-
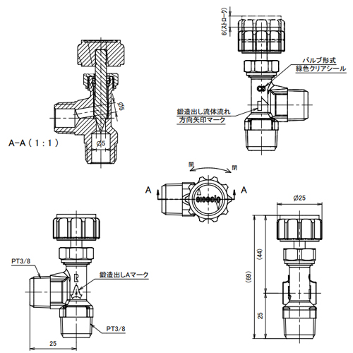
●メーカー…アソー(ASOH)●型番…CS-3033R●取付ねじ…R3/8’’×R3/8’’●使用圧力…0.98MPa以下●使用温度…-10~80℃(凍結箇所を除く)●使用流体…空気・水・油●材質…真鍮(クロムメッキ仕上げ)●両外ネジ型のアングルタイプ●一次側、二次側共にテーパー(R)外ネジのタイプで、機器等への取り付け可能な小型のニードルバルブです。●RoHS指令相当品●参考在庫数・商品詳細・サイズ情報はメーカー(参考)URLからもご確認いただけます。 ●最小出荷単位: 1
- 本体サイズ
- お手数をお掛けいたしますが、下記参考URLよりご確認ください。
- 個装サイズ
- お手数をお掛けいたしますが、下記参考URLよりご確認ください。
メーカー希望小売価格
2,220
円(税抜)
販売価格
2,442
円(税込)
2,220 円 (税抜)













