Loading...
13-26mm/39mm 仮設用C型クランプ(両ボルト)
- 商品コード:
- EM6698
- メーカー:
- JANコード:
- 4518340481800
- 税率:
- 10%
- 品番:
- EA948T-31
- 学校版カタログ
- 非掲載
- 幼保版カタログ
- 非掲載
- 商品詳細
-
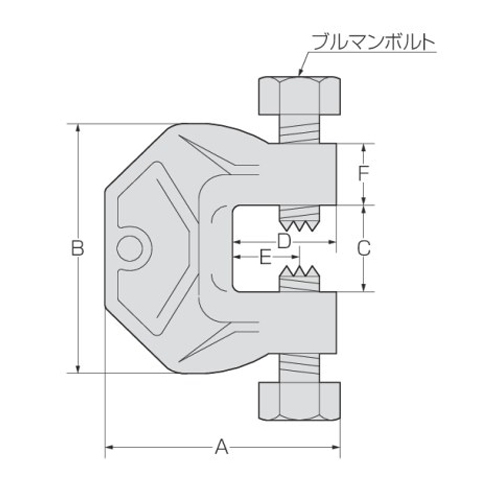
●クランプサイズ…13~26mm ●本体サイズ(mm)…A:74、B:76、C:28、D:39、E:28、F:18、厚み:24 ●重量…0.6kg ●材質…スチール ●ボルトサイズ…M12×35mm ●ラチェット…19 ●使用荷重…999kg ●締付トルク…60N・m ●長期使用過重(t)…1 ●仮設工業会認定品 ●最も広く用いられ、2枚重ね鋼材の接合に使用します。 ●建築・土木現場での各種仮設作業を素早く!確実!経済的に! ●作業時間を短縮。特殊技能が不要で簡単です。天候等にも左右されず工機が縮まります。 ●火や電気を使いません。火気厳禁の場所でも安心して施工できます。 ●鋼材は元通り回収。穴あけ不要で鋼材の補修が要らず、リサイクルも容易です。 ●参考在庫数・商品詳細・サイズ情報はメーカー(参考)URLからもご確認いただけます。 ●最小出荷単位: 1
- 本体サイズ
- お手数をお掛けいたしますが、下記参考URLよりご確認ください。
- 個装サイズ
- お手数をお掛けいたしますが、下記参考URLよりご確認ください。
メーカー希望小売価格
4,860
円(税抜)
販売価格
5,346
円(税込)
4,860 円 (税抜)













