Loading...
1/2 inDRx 7/16 in ソケット
- 商品コード:
- EM9731
- メーカー:
- JANコード:
- 4518340599499
- 税率:
- 10%
- 品番:
- EA618XA-102A
- 学校版カタログ
- 非掲載
- 幼保版カタログ
- 非掲載
- 商品詳細
-
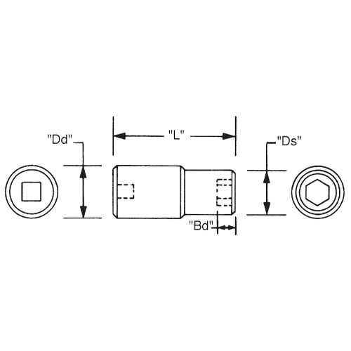
●対辺…7/16’’ ●差込角…1/2’’ ●外径…17.1mm ●全長…38.1mm ●材質…スチール(クロムメッキ仕上げ) ●12ポイント ●最高のフィット感と不屈の強度を実現するため、鍛造および機械加工されています。 ●最適な硬度、延性、耐久性を実現するため、精密な熱処理と焼き戻しが行われています。 ●開口部のサイズをすばやく判断できるように、読みやすいスタンプパターンが付いています。 ●参考在庫数・商品詳細・サイズ情報はメーカー(参考)URLからもご確認いただけます。 ●最小出荷単位: 1
- 本体サイズ
- お手数をお掛けいたしますが、下記参考URLよりご確認ください。
- 個装サイズ
- お手数をお掛けいたしますが、下記参考URLよりご確認ください。
メーカー希望小売価格
3,040
円(税抜)
販売価格
3,344
円(税込)
3,040 円 (税抜)





![[EA986D-13用]替えジャッキ(油圧式/1式)](https://d11w49g8ylcixs.cloudfront.net/upload/save_image/200/EL9344_01_231219.jpg)
