EA986GG-11 50mmキャスタ-(自在金具・ESD)
導電性仕様の金具付キャスター
- 商品コード:
- E09512
- メーカー:
- JANコード:
- 4548745990843
- 税率:
- 10%
- 品番:
- EA986GG-11
- 学校版カタログ
- 非掲載
- 幼保版カタログ
- 非掲載
- 商品詳細
-
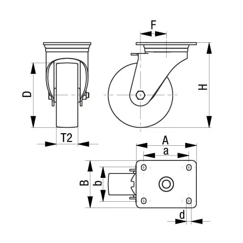
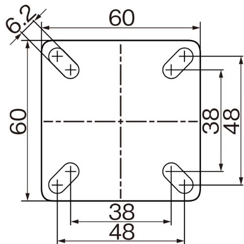
●仕様…自在車輪(ストッパー無し)●車輪径×幅…50×18mm●全高…71mm●偏心(オフセット)…23mm●ボルト穴径…6.2mm●ボルト穴間距離…38×38/48×48mm●プレートサイズ…60×60mm●耐熱温度…-20~60℃(30℃を超えると耐荷重が低下します。)●タイヤ硬度…80 ショアA●耐荷重…30kg(3km/h時)●重量…0.238kg●材質…金具:スチールプレス鋼板、亜鉛メッキ三価クロメート仕上げ)車輪:ソリッドゴムリム:耐衝撃・導電性のある高品質ポリプロピレン●電気伝導率(抵抗)…10^4Ω●ESD●ボールベアリングが採用されており、軽い力でスムーズに動き出し、耐久性にも優れています。●多くの腐食性物質に対して高い化学的耐性を持っています。(油類を除く)●走行時の音が静かで、床を保護しながらスムーズに移動できます。●プレート取付け型●軽荷重タイプ●※タイヤ表面形状が画像と異なる場合がありますが使用には影響ございません。●参考在庫数・商品詳細・サイズ情報はメーカー(参考)URLからもご確認いただけます。 ●最小出荷単位: 1
- 本体サイズ
- お手数をお掛けいたしますが、下記参考URLよりご確認ください。
- 個装サイズ
- お手数をお掛けいたしますが、下記参考URLよりご確認ください。













