Loading...
EA986PR-300 257mmキャスタ-(固定金具付)
- 商品コード:
- E10292
- メーカー:
- ナンシン
- JANコード:
- 4548745626186
- 税率:
- 10%
- 品番:
- EA986PR-300
- 学校版カタログ
- 非掲載
- 幼保版カタログ
- 非掲載
- 商品詳細
-
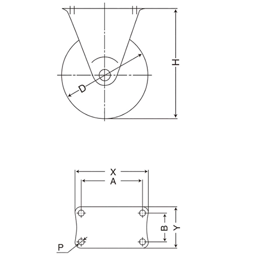
●メーカー…ナンシン●型番…SKM-300-4AR●ローラーベアリング●材質…金具:スチール、車輪:エアータイヤ●耐熱温度…60度●仕様…固定●車輪径×幅…257×80mm●耐荷重…130kg●全高…308mm●サイズ(mm)…A×B:140×80、X×Y:200×140、P:14●参考在庫数・商品詳細・サイズ情報はメーカー(参考)URLからもご確認いただけます。 ●最小出荷単位: 1
- 本体サイズ
- お手数をお掛けいたしますが、下記参考URLよりご確認ください。
- 個装サイズ
- お手数をお掛けいたしますが、下記参考URLよりご確認ください。
メーカー希望小売価格
11,300
円(税抜)
販売価格
12,430
円(税込)
11,300
円 (税抜)













