Loading...
EA986PT-33 150mmキャスタ-(固定金具付)
- 商品コード:
- E10308
- メーカー:
- ナンシン
- JANコード:
- 4548745974539
- 税率:
- 10%
- 品番:
- EA986PT-33
- 学校版カタログ
- 非掲載
- 幼保版カタログ
- 非掲載
- 商品詳細
-
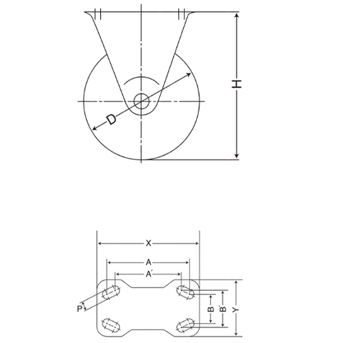
●メーカー…ナンシン●型番…SKC-150CNC●ベアリング無●仕様…固定●車輪径×幅…150×40mm●耐荷重…160kg●全高…190mm●材質…金具:クロームメッキ、車輪:ゴム●穴径…11mm●サイズ(X×Y)…140×80mm●サイズ(A×B)…112×53mm●サイズ(A’×B’)…100×56mm●参考在庫数・商品詳細・サイズ情報はメーカー(参考)URLからもご確認いただけます。 ●最小出荷単位: 1
- 本体サイズ
- お手数をお掛けいたしますが、下記参考URLよりご確認ください。
- 個装サイズ
- お手数をお掛けいたしますが、下記参考URLよりご確認ください。
メーカー希望小売価格
3,080
円(税抜)
販売価格
3,388
円(税込)
3,080
円 (税抜)













