Loading...
EA986PT-62 125mmキャスタ-(固定金具付)
- 商品コード:
- E10316
- メーカー:
- ナンシン
- JANコード:
- 4548745975574
- 税率:
- 10%
- 品番:
- EA986PT-62
- 学校版カタログ
- 非掲載
- 幼保版カタログ
- 非掲載
- 商品詳細
-
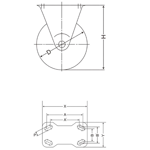
●メーカー…ナンシン●型番…SKC-125CBC●仕様…固定●耐荷重…150kg●始動力…9.00daN●車輪径×幅…125×38mm●全高…165mm●取付ピッチ…112×53mm(100×56mm)●プレートサイズ…140×80mm●穴径…11mm●材質…金具:スチール(ユニクロメッキ)車輪:ゴム(ベアリング入)●ベアリング入●汎用キャスター。業務用機器から家庭用品まで幅広く使用いただけます。●RoHS対応品●参考在庫数・商品詳細・サイズ情報はメーカー(参考)URLからもご確認いただけます。 ●最小出荷単位: 1
- 本体サイズ
- お手数をお掛けいたしますが、下記参考URLよりご確認ください。
- 個装サイズ
- お手数をお掛けいたしますが、下記参考URLよりご確認ください。
メーカー希望小売価格
2,810
円(税抜)
販売価格
3,091
円(税込)
2,810 円 (税抜)













