Loading...
EA986PT-72 125mmキャスタ-(自在金具付)
- 商品コード:
- E10319
- メーカー:
- ナンシン
- JANコード:
- 4548745975604
- 税率:
- 10%
- 品番:
- EA986PT-72
- 学校版カタログ
- 非掲載
- 幼保版カタログ
- 非掲載
- 商品詳細
-
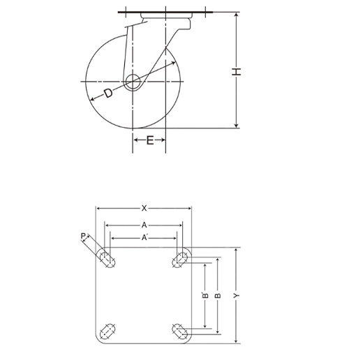
●メーカー…ナンシン●型番…STC-125CBC●仕様…自在●耐荷重…150kg●始動力…9.00daN●旋回始動力…60.75daN●車輪径×幅…125×38mm●全高…165mm●取付ピッチ…80×80mm(75×75mm)●プレートサイズ…102×102mm●穴径…11mm●偏心…35mm●旋回半径…101mm●材質…金具:スチール(ユニクロメッキ)車輪:ゴム(ベアリング入)●ベアリング入●汎用キャスター。業務用機器から家庭用品まで幅広く使用いただけます。●旋回部がダブルボールレース構造になっており、限界領域の負荷荷重下においても安定した旋回性能を長期間維持します。●RoHS対応品●参考在庫数・商品詳細・サイズ情報はメーカー(参考)URLからもご確認いただけます。 ●最小出荷単位: 1
- 本体サイズ
- お手数をお掛けいたしますが、下記参考URLよりご確認ください。
- 個装サイズ
- お手数をお掛けいたしますが、下記参考URLよりご確認ください。
メーカー希望小売価格
3,410
円(税抜)
販売価格
3,751
円(税込)
3,410 円 (税抜)













