Loading...
EA986PT-141 75mmキャスタ-(固定金具・微音
- 商品コード:
- E10343
- メーカー:
- ナンシン
- JANコード:
- 4548745977431
- 税率:
- 10%
- 品番:
- EA986PT-141
- 学校版カタログ
- 非掲載
- 幼保版カタログ
- 非掲載
- 商品詳細
-
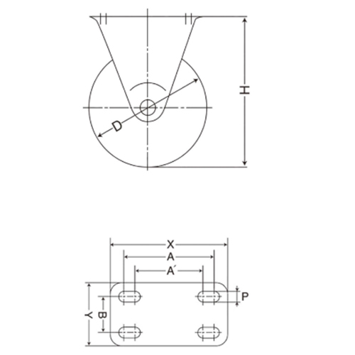
●メーカー…ナンシン●型番…SKC-75NRC●仕様…固定●耐荷重…60kg●始動力…3.60daN●車輪径×幅…75×27mm●全高…93mm●取付ピッチ…55(54)×28mm●プレートサイズ…70×52mm●取付穴径…9.0mm●材質…金具:スチール(ユニクロメッキ)車輪:グレーゴム(ベアリング入)●車軸のベアリングと高反発弾性車輪の採用により、高い静寂性を実現。●床への走行跡(マーキング)がつきにくい車輪●RoHS対応品●参考在庫数・商品詳細・サイズ情報はメーカー(参考)URLからもご確認いただけます。 ●最小出荷単位: 1
- 本体サイズ
- お手数をお掛けいたしますが、下記参考URLよりご確認ください。
- 個装サイズ
- お手数をお掛けいたしますが、下記参考URLよりご確認ください。
メーカー希望小売価格
1,060
円(税抜)
販売価格
1,166
円(税込)
1,060 円 (税抜)













