Loading...
EA986PT-143 75mmキャスタ-(自在金具・微音
- 商品コード:
- E10345
- メーカー:
- ナンシン
- JANコード:
- 4548745978049
- 税率:
- 10%
- 品番:
- EA986PT-143
- 学校版カタログ
- 非掲載
- 幼保版カタログ
- 非掲載
- 商品詳細
-
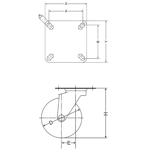
●メーカー…ナンシン●型番…STS-75NRC S-2●ベアリング入●材質…金具:ユニクロームメッキ、車輪:ゴム●自在(ストッパー付)●車輪径×幅…75×27mm●耐荷重…60kg●全高…93mm●参考在庫数・商品詳細・サイズ情報はメーカー(参考)URLからもご確認いただけます。 ●最小出荷単位: 1
- 本体サイズ
- お手数をお掛けいたしますが、下記参考URLよりご確認ください。
- 個装サイズ
- お手数をお掛けいたしますが、下記参考URLよりご確認ください。
メーカー希望小売価格
2,360
円(税抜)
販売価格
2,596
円(税込)
2,360 円 (税抜)













