Loading...
EA164CG-6 3/8sqx6mmINHEXビットソケット
- 商品コード:
- E18743
- メーカー:
- JANコード:
- 4518340028555
- 税率:
- 10%
- 品番:
- EA164CG-6
- 学校版カタログ
- 非掲載
- 幼保版カタログ
- 非掲載
- 商品詳細
-
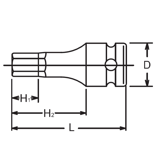
●メーカー…コーケン(Ko-ken)●型番…13012M.52-6●差込角…3/8’’(9.5mm)●対辺(mm)…6●全長(mm)…52●重量(g)…39●参考在庫数・商品詳細・サイズ情報はメーカー(参考)URLからもご確認いただけます。 ●最小出荷単位: 1
- 本体サイズ
- お手数をお掛けいたしますが、下記参考URLよりご確認ください。
- 個装サイズ
- お手数をお掛けいたしますが、下記参考URLよりご確認ください。
メーカー希望小売価格
1,470
円(税抜)
販売価格
1,617
円(税込)
1,470 円 (税抜)








