Loading...
EA948BW-3 M8x30S45C丸ナット
- 商品コード:
- E32451
- メーカー:
- JANコード:
- 4518340080546
- 税率:
- 10%
- 品番:
- EA948BW-3
- 学校版カタログ
- 非掲載
- 幼保版カタログ
- 非掲載
- 商品詳細
-
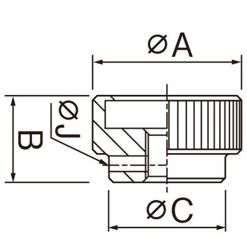
●メーカー…イマオコーポレーション●型番…BJ750-08001N●材質…スチール製(S45C)●処理…黒染め●止め穴あり●RoHS対応品●ねじサイズ…M8×10mm●サイズ(mm)…A:30、B:17、C:20、J:1.9●参考在庫数・商品詳細・サイズ情報はメーカー(参考)URLからもご確認いただけます。 ●最小出荷単位: 1
- 本体サイズ
- お手数をお掛けいたしますが、下記参考URLよりご確認ください。
- 個装サイズ
- お手数をお掛けいたしますが、下記参考URLよりご確認ください。
メーカー希望小売価格
1,230
円(税抜)
販売価格
1,353
円(税込)
1,230 円 (税抜)





![[EA576TA用] 7.5mmポンチ](https://d11w49g8ylcixs.cloudfront.net/upload/save_image/200/ED8375_01_250529.jpg)
