Loading...
EA948BW-11 M5x20クロ-ムメッキ丸ナット
- 商品コード:
- E32454
- メーカー:
- JANコード:
- 4518340081154
- 税率:
- 10%
- 品番:
- EA948BW-11
- 学校版カタログ
- 非掲載
- 幼保版カタログ
- 非掲載
- 商品詳細
-
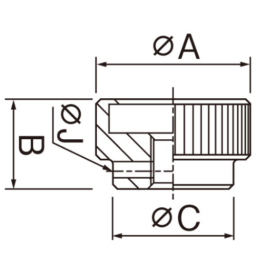
●メーカー…イマオコーポレーション●型番…BJ750-05101N●材質…スチール製(S45C)●処理…クロムメッキ●止め穴あり●RoHS対応品●ねじサイズ…M5×7mm●サイズ(mm)…A:20、B:12、C:14、J:1.4●参考在庫数・商品詳細・サイズ情報はメーカー(参考)URLからもご確認いただけます。 ●最小出荷単位: 1
- 本体サイズ
- お手数をお掛けいたしますが、下記参考URLよりご確認ください。
- 個装サイズ
- お手数をお掛けいたしますが、下記参考URLよりご確認ください。
メーカー希望小売価格
1,070
円(税抜)
販売価格
1,177
円(税込)
1,070 円 (税抜)






