Loading...
EA948BX-31 M4x16アルミ製雌ネジボ-ル
- 商品コード:
- E32491
- メーカー:
- JANコード:
- 4518340087910
- 税率:
- 10%
- 品番:
- EA948BX-31
- 学校版カタログ
- 非掲載
- 幼保版カタログ
- 非掲載
- 商品詳細
-
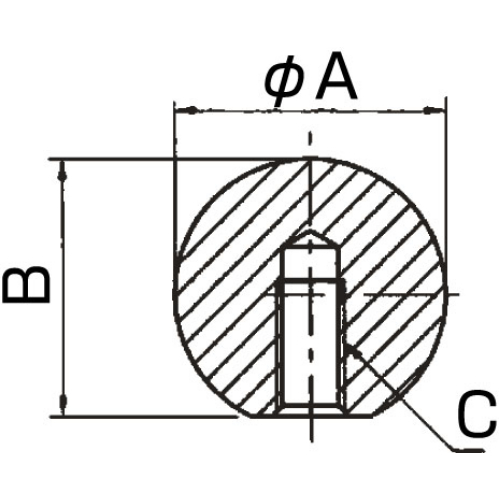
●メーカー…イマオコーポレーション●型番…ALB16●材質…アルミ合金●処理…バフ研磨仕上げ●ねじサイズ(C)…M4×0.7mm●サイズ(mm)…A:16、B:15●RoHS対応品●参考在庫数・商品詳細・サイズ情報はメーカー(参考)URLからもご確認いただけます。 ●最小出荷単位: 1
- 本体サイズ
- お手数をお掛けいたしますが、下記参考URLよりご確認ください。
- 個装サイズ
- お手数をお掛けいたしますが、下記参考URLよりご確認ください。
メーカー希望小売価格
1,200
円(税抜)
販売価格
1,320
円(税込)
1,200 円 (税抜)






