Loading...
EA951CK-8 51x117mm横長丁番(2個)
- 商品コード:
- E37239
- メーカー:
- JANコード:
- 4518340252844
- 税率:
- 10%
- 品番:
- EA951CK-8
- 学校版カタログ
- 非掲載
- 幼保版カタログ
- 非掲載
- 商品詳細
-
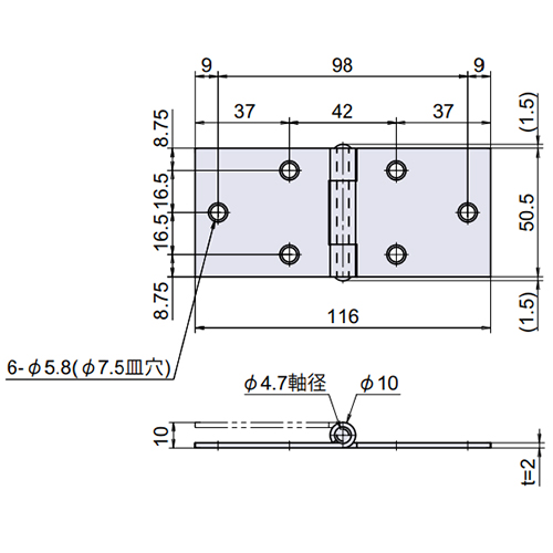
●材質…ステンレス(SUS304)●全長…117mm●幅…51mm●厚み…1.8mm●穴径…5.5mm●穴数…6●重量…91g(1個)●入数…2個●生地仕上げ●取付ねじ無し●汎用丁番になります。●一般機器、設備等にご使用ください。●参考在庫数・商品詳細・サイズ情報はメーカー(参考)URLからもご確認いただけます。 ●最小出荷単位: 1
- 本体サイズ
- お手数をお掛けいたしますが、下記参考URLよりご確認ください。
- 個装サイズ
- お手数をお掛けいたしますが、下記参考URLよりご確認ください。
メーカー希望小売価格
2,360
円(税抜)
販売価格
2,596
円(税込)
2,360 円 (税抜)













