Loading...
EA970EL-2 30x23mm/2.0m隙間シ-ト用レ-ル
- 商品コード:
- E38710
- メーカー:
- JANコード:
- 4548745944785
- 税率:
- 10%
- 品番:
- EA970EL-2
- 学校版カタログ
- 非掲載
- 幼保版カタログ
- 非掲載
- 商品詳細
-
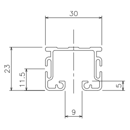
●メーカー…岡田装飾金物●型番…11L20-AS●材質…アルミ アルマイト仕上げ●全長…2m●レール差込幅…9mm●幅×高さ…30×23mm●用途…工場、クリーンルームの間仕切りに最適●レールとカーテンの隙間をなくし、防塵・防音・防虫機能を高めます。●隙間シートは差込むだけも簡単に取付、工具不要です。●保温性を高め、省エネ対策にも大きな効果を発揮します。●隙間シートはEA970EN-2をご使用ください。●30mmレール用の殆どの部品が使用できますが、継カバー(EA970EF-32)のみ使用できません。●対応荷重…30kgまで●参考在庫数・商品詳細・サイズ情報はメーカー(参考)URLからもご確認いただけます。 ●最小出荷単位: 1
- 本体サイズ
- お手数をお掛けいたしますが、下記参考URLよりご確認ください。
- 個装サイズ
- お手数をお掛けいたしますが、下記参考URLよりご確認ください。
メーカー希望小売価格
4,600
円(税抜)
販売価格
5,060
円(税込)
4,600 円 (税抜)













